Κυριακή
21 Δεκεμβρίου 2025

Ποιο πρόβλημα έχουν τα ακάρεα που ζευγαρώνουν στο πρόσωπό μας

Πλανήτης

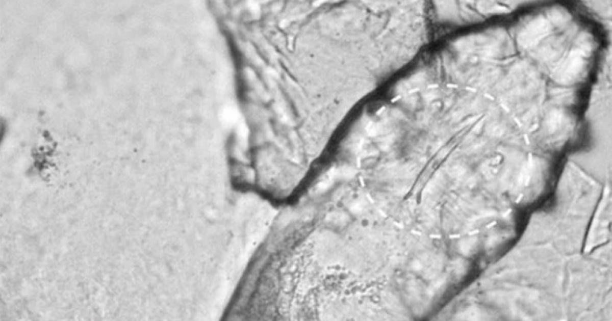
Καθημερινή ρουτίνα προσωπικής φροντίδας των περισσότερων ανθρώπων είναι Το πλύσιμο του προσώπου και η ενυδάτωση. Όμως, ακάρεα, όπως το Demodex folliculorum, περνούν όλη τους τη ζωή βαθιά στους πόρους του προσώπου μας.

Τη νύχτα, τα μικροσκοπικά παράσιτα μήκους 0,3 χιλιοστών αφήνουν τους πόρους για να βρουν ένα νέο θύλακα του δέρματος, να συναντήσουν έναν σύντροφο και να ζευγαρώσουν. 

Αλλά μια νέα έρευνα έδειξε ότι τα συγκεκριμένα ακάρεα μπορεί να αντιμετωπίζουν πρόβλημα, καθώς το DNA τους διαβρώνεται. Κάτι που σημαίνει ότι είναι κοντά στην εξαφάνιση.

Αυτά τα ακάρεα ζουν τόσο βαθιά στο δέρμα μας που δεν μπορούν να ξεπλυθούν ποτέ. Ίσως είναι παρήγορο να γνωρίζετε ότι πάνω από το 90% από των ανθρώπων είμαστε οικοδεσπότες αυτών των ακάρεων και τους έχουμε προσφέρει ένα σπίτι από τη γέννησή μας, καθώς μεταδίδονται κατά τη διάρκεια του θηλασμού.

Η Δρ Alejandra Perotti, από το Πανεπιστήμιο του Reading, που συνέγραψε τη μελέτη εξηγεί μάλιστα στο BBC ότι πρέπει να είμαστε «ευγνώμονες» που προσφέρουμε στα ακάρεα ένα σπίτι και έχουμε μια τόσο οικεία σχέση μαζί τους. 

«Είναι μικροσκοπικά και χαριτωμένα. Δεν υπάρχει λόγος ανησυχίας για το αν τα έχουμε. Καθαρίζουν τους πόρους μας. Να είμαστε χαρούμενοι που ζουν μαζί μας, αφού δεν μας κάνουν καμία ζημιά», αναφέρει η επιστήμονας.

Η μελέτη δείχνει πόσο στενή είναι η σχέση μας μαζί τους, αλλά και πώς τα ακάρεα έχουν τον μικρότερο αριθμό γονιδίων από οποιοδήποτε έντομο, καρκινοειδές ή αραχνοειδές. Το γονίδιο που προστατεύει το σώμα τους από την υπεριώδη ακτινοβολία έχει χαθεί και είναι ενεργά μόνο τη νύχτα. Και είναι αυτή η νυχτερινή δραστηριότητα που κάνει κάποιους να ανατριχιάζουν. 

«Τη νύχτα, ενώ βρισκόμαστε σε βαθύ ύπνο, επισκέπτονται τους πόρους μας για να κάνουν σεξ και να κάνουν μωρά», λέει η Δρ Perotti. 

Αλλά η έρευνα δείχνει ότι καθώς η γενετική τους ποικιλότητα μειώνεται, η εξάρτησή τους από εμάς αυξάνεται που σημαίνει ότι κινδυνεύουν με πιθανή εξαφάνιση. Ποιο είναι λοιπόν το πρόβλημα αν τα χάσουμε; 

«Συνδέονται άμεσα με το υγιές δέρμα, οπότε αν τα χάσουμε μπορεί να αντιμετωπίσουμε προβλήματα με το δέρμα μας», αναφέρει η Δρ. Perotti.

 

Ακολουθήστε το Lykavitos.gr στο Google News
και μάθετε πρώτοι όλες τις ειδήσεις


Διαβάστε ακόμη

Ινδία: Τρένο συγκρούστηκε με ελέφαντες - Εκτροχιάστηκαν πέντε βαγόνια (Βίντεο)

Τα φρένα έκτακτης ανάγκης που χρησιμοποίησε ο οδηγός του τρένου δεν έσωσαν επτά από τους περίπου 100 ελέφαντες που διέσχιζαν τις σιδηροδρομικές γραμμές στο κρατίδιο Ασάμ, της βορει...

Ισπανία: Οικογένεια μετέφερε σε πτήση νεκρή γιαγιά – Ισχυρίστηκαν ότι ήταν κουρασμένη και κοιμόταν

Ένα απίστευτο και όμως αληθινό περιστατικό συνέβη σε πτήση από την Ισπανία προς τη Βρετανία, όταν μια οικογένεια φέρεται να μετέφερε νεκρή την ηλικιωμένη γιαγιά της, λέγοντας στο π...

Νέα πλήγματα στο λιμάνι της Οδησσού, στους 8 οι νεκροί από τη χθεσινή επίθεση – Προωθούνται οι ρωσικές δυνάμεις στο Ντονέτσκ

Οκτώ άνθρωποι σκοτώθηκαν και 27 τραυματίστηκαν σε ρωσική επίθεση με πυραύλους κατά υποδομών στο λιμάνι Πιβνέννι της Οδησσού, στη νότια Ουκρανία, αργά την Παρασκευή, σύμφωνα με την ...

Φόρτωση άρθρων...