Πέμπτη
25 Δεκεμβρίου 2025

Μυστηριώδεις σφαίρες στον βυθό του Ειρηνικού – Καθηγητής του Χάρβαρντ λέει ότι είναι εξωγήινες (Photos)

Viral

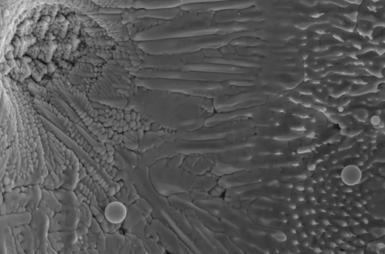
Μυστήριο προκαλούν μεταλλικές σφαίρες που έχουν βρεθεί στον βυθό του Ειρηνικού Ωκεανού. Οι ισχυρισμοί ενός καθηγητή του Χάρβαρντ ότι οι μεταλλικές σφαίρες που ανακαλύφθηκαν κάτω από τον ωκεανό μπορεί να έχουν κατασκευαστεί από εξωγήινους τέθηκαν για υπό αμφισβήτηση.

Τον Ιούλιο, ο Avi Loeb, διευθυντής ενός κέντρου Υπολογιστικής-αστροφυσικής στο Χάρβαρντ, είπε ότι οι σφαίρες ανασύρθηκαν από τον Ειρηνικό Ωκεανό ήταν ότι απέμεινε από έναν μετεωρίτη που εξερράγη κοντά στη Γη το 2014.

Η περίεργη χημική τους σύνθεση υποδηλώνει ότι θα μπορούσαν να είναι κάποιου είδους εξωγήινη τεχνολογία, σύμφωνα με τον διευθυντή του Χάρβαρντ.

Η δήλωση προκάλεσε κριτική από τμήμα της επιστημονικής κοινότητας καθώς κρίθηκε ότι ο Avi Loeb έκανε μία πολύ τολμηρή και βιαστική εκτίμηση.

Τώρα, μια ανάλυση μπορεί να προσφέρει μια άλλη εξήγηση για τις μυστηριώδεις σφαίρες: Μπορεί απλώς να είναι ένα παρακλάδι της καύσης άνθρακα.

Ο Patricio Gallardo, ερευνητής στο Πανεπιστήμιο του Σικάγο, ανέλυσε σε μελέτη τη χημική σύνθεση της τέφρας του άνθρακα, ενός απόβλητου προϊόντος που άφησε πίσω του η καύση του άνθρακα σε σταθμούς παραγωγής ενέργειας και ατμομηχανές.

Ο Gallardo χρησιμοποίησε μια δημόσια διαθέσιμη βάση δεδομένων άνθρακα-χημικών που ονομάζεται «Coalqual». Η ανάλυσή του διαπίστωσε ότι οι συγκεντρώσεις σιδήρου, νικελίου, βηρυλλίου, λανθανίου και ουρανίου που αναφέρθηκαν από τον Loeb και τους συνεργάτες του στις μεταλλικές σφαίρες ήταν «σύμφωνες με τις προσδοκίες από τέφρα άνθρακα από μια βάση δεδομένων χημικής σύνθεσης άνθρακα».

«Δεν ευνοείται η προέλευση από μετεωρίτη», είπε ο Gallardo. «Λοιπόν, πράγματι ανακάλυψαν στοιχεία ενός τεχνολογικού πολιτισμού… ακριβώς εδώ στη Γη», έγραψε σε ανάρτηση στο Χ ο Caleb Sharf, ο ανώτερος επιστήμονας Αστροβιολογίας στο Ames Center της NASA.

Ο Loeb είπε ότι η θεωρία της τέφρας άνθρακα «βασίστηκε σε σχόλια χωρίς αναφορά που εξέταζαν επιφανειακά μερικά στοιχεία από τα δεκάδες που αναλύσαμε».

«Για να είναι επιστημονικά αξιόπιστος, οποιοσδήποτε τέτοιος ισχυρισμός πρέπει να αναπαράγει τη μετρούμενη αφθονία όλων των στοιχείων και, ειδικότερα, να καταδεικνύει την απώλεια πτητικών στοιχείων — όπως προκύπτει από το έγγραφό μας», συνέχισε ο διευθυντής του Χάρβαρντ.

Έπειτα προχώρησε σε συγκεκριμένες διαψεύσεις σε σημεία της ανάλυσης. Επικαλέστηκε το μέλος της ομάδας του, τον Jim Lem, επικεφαλής του Τμήματος Μηχανικής Εξόρυξης στο Πανεπιστήμιο Τεχνολογίας στην Παπούα Νέα Γουινέα, που είπε: «Η περιοχή όπου έγινε η αποστολή, δεν πρέπει να έχει ορυκτό άνθρακα». Επίσης είπε ότι οι σφαίρες είχαν περισσότερο σίδηρο παρά τέφρα άνθρακα.

Μυστηριώδεις σφαίρες στον βυθό του Ειρηνικού

Από πού προήλθαν οι μυστηριώδεις σφαίρες;

Η απόφαση του Loeb να αναζητήσει αυτές τις σφαίρες προήλθε από ένα υψηλού επιπέδου ρίσκο. Οι New York Times ανέφεραν ότι η ομάδα του επιστήμονα είχε αποκαλύψει μερικώς διαβαθμισμένα κρατικά αρχεία που ανέφεραν ότι ένα αντικείμενο είχε εκραγεί κοντά στη Γη το 2014.

Η ανάλυσή τους, καθώς και μια επιστολή από τη Διαστημική Διοίκηση των ΗΠΑ, υποδείκνυαν ότι η πύρινη σφαίρα θα μπορούσε να είχε προέλθει από ένα αντικείμενο που είχε ταξιδέψει από το διαστρικό διάστημα, ανέφεραν οι New York Times.

Αυτό άφησε έκανε τον Loeb να αναρωτιέται αν το αντικείμενο του 2014 ήταν εξωγήινος αισθητήρας, σημειώνεται στο ρεπορτάζ της εφημερίδας.

Για να δοκιμάσει τη θεωρία του ο Loeb έκανε κάθε δυνατή προσπάθεια για να ανακτήσει τα συντρίμμια από το αντικείμενο, το οποίο θα είχε προσγειωθεί κοντά στην Παπούα Νέα Γουινέα. Με την χρηματοδότηση ύψους 1,5 εκατ. δολαρίων που έλαβε μέσω κρυπτονομισμάτων ο διευθυντής του Χάρβαρντ χρησιμοποίησε μία μαγνητική «τσουγκράνα» που μπορούσε να βυθιστεί κάτω από χιλιάδες χιλιόμετρα νερού.

Μυστηριώδεις σφαίρες στον βυθό του Ειρηνικού

Ακολουθήστε το Lykavitos.gr στο Google News
και μάθετε πρώτοι όλες τις ειδήσεις


Διαβάστε ακόμη

NASA: Ο νέος, εντυπωσιακός χάρτης του σύμπαντος – Γιατί αλλάζουν τα δεδομένα (Videos&Photos)

Έναν νέο, εντυπωσιακό χάρτη του σύμπαντος δημοσίευσε η NASA, ο οποίος θα μπορούσε να βοηθήσει τους επιστήμονες στην επίλυση κάποιων μακροχρόνιων μυστηρίων του σύμπαντος. Σύμφωνα...

Guardian: Οι σπάνιες φώκιες κρύβονται σε σπηλιές για να ξεφύγουν από τους τουρίστες στις Σποράδες

Η Ελλάδα φιλοξενεί το μεγαλύτερο μέρος του παγκόσμιου πληθυσμού και έχει καθοριστική ευθύνη για την επιβίωση της μεσογειακής φώκιας. Η Μονάχους – Μονάχους ένα από τα σπανιότερα θαλ...

Φόρτωση άρθρων...